Fiber Amplifier
LV-WLA Laser fiber amplifier
Juncheng Intelligence is a high-tech enterprise focusing on sensor research and development, production and sales, located in Goldman Sachs Science Park, Dongguan City, Guangdong Province. After years of development and accumulation, we have become an influential intelligent sensor solution provider, with color sensors, laser sensors, photoelectric sensors, ultrasonic sensors, fiber optic sensors, safety light curtains, encoders and other products as the main products. The products are widely used in food packaging, paper printing, cosmetics, pharmaceutical industry, electronic semiconductors, woodworking machinery, warehousing and logistics, automobiles, steel and other industries.
Since its establishment, Juncheng Intelligence has maintained long-term strategic cooperation with many scientific research institutes and has accumulated a group of experienced R&D personnel to create various sensor solutions for industrial automation. From product development to after-sales service, Juncheng has always been committed to using rich industry experience and professional technology to create the best sensor products and solutions.
Contact Us

MAIN PRODUCTS               


MODEL

LV-WLA

LV-WLAP

Output

NPN

PNP

Supply  voltage

12~24VDC±10%

Consumption Current

45mA以下

Output state

Dual output: Instant count(blank line);Default value output (white line),NO/NC

Reaction time

50ms

Indicator

Daltic values (4 digits green light emitting diodes) and current values (4 digits of red light emitting diode), current value range: 0-999999

Delay function

ond, oFFd, SHOT, and tOFF, delay range: 0 ~ 9999 milliseconds.

Protection circuit

Short circuit, anti -polarity, overcurrent

Ambient temperature range

Operating: −25 to +55°C, Storage: −30 to +80°C (with no icing or condensation)

Ambient humidity range

Operating: 5% to 85%, Storage: 5% to 95% (with no icing or condensation)

Ambient illumination

1,000 lx max. with fluorescent light on the surface of the receiver

withstand voltage

AC1000V 1 minute of all power connection terminals and short circuit protection between the shell

Insulation resistance

More than 20mΩ

Vibration resistance

Destruction: 10 to 55 Hz 1.5-mm double amplitude for 2 h (4-min periods) each in X, Y, and Z directions

Shock resistance

Destruction: 500 m/s2 for 3 times each in X, Y, and Z directions

Material

COVER: PBT

Degree of protection

IP65

Cable

Φ4*3 core PVC cable 2M

Weight

Approx.80g

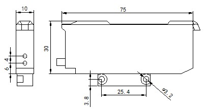
Dimensions


1.png

Output circuit

2.png


Online Message

submit