Fiber Amplifier
GF1-W81 Fiber optic amplifier
Juncheng Intelligence is a high-tech enterprise focusing on sensor research and development, production and sales, located in Goldman Sachs Science Park, Dongguan City, Guangdong Province. After years of development and accumulation, we have become an influential intelligent sensor solution provider, with color sensors, laser sensors, photoelectric sensors, ultrasonic sensors, fiber optic sensors, safety light curtains, encoders and other products as the main products. The products are widely used in food packaging, paper printing, cosmetics, pharmaceutical industry, electronic semiconductors, woodworking machinery, warehousing and logistics, automobiles, steel and other industries.
Since its establishment, Juncheng Intelligence has maintained long-term strategic cooperation with many scientific research institutes and has accumulated a group of experienced R&D personnel to create various sensor solutions for industrial automation. From product development to after-sales service, Juncheng has always been committed to using rich industry experience and professional technology to create the best sensor products and solutions.
Contact Us

MAIN PRODUCTS               


Model

GF1-W81

GF1-W81P

Output

NPN

PNP

Supply  voltage

12~24VDC±10%

Consumption Current

45mA以下

Output state

Light-ON+Dark-ON

Reaction time

50ms

Indicator

Daltic values (4 digits green light emitting diodes) and current values (4 digits of red light emitting diode), current value range: 0-999999

Delay function

ond, oFFd, SHOT, and tOFF, delay range: 0 ~ 9999 milliseconds.

Protection circuit

Short circuit, anti -polarity, overcurrent

Ambient temperature range

0 ℃ ~+50 ℃ (not condensation, not freezing)

Ambient humidity range

5%RH ~ 85%RH, when storing: 5%RH~95%RH

Ambient illumination

Incandescent lamp: below 1000lx of light surface lighting

withstand voltage

AC1000V 1 minute of all power connection terminals and short circuit protection between the shell

Insulation resistance

20MΩ以上

Vibration resistance

Frequency 10Hz ~ 55Hz dual amplitude 1.5mm xyz each direction for 2 hours

Shock resistance

Acceleration 500m/s2 xyz 3 times in each direction

Material

COVER: PBT

Protection grade

IP65

Cable

Φ4*3 core PVC cable 2M

Weight

Approx.80g

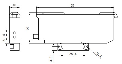
Dimensions

1.png

Output circuit

2.png

Online Message

submit