Model | GF1-501 | GF1-501P |
Output | NPN | PNP |
Supply voltage | 12~24VDC±10% |
Consumption Current | 100mA以下 |
Output state | Light-ON+Dark-ON |
Reaction time | P101:50us,P102:100us,P103:200us P104 800us,P105:1.6ms |
Indicator | Daltic values (4 digits green light emitting diodes) and current values (4 digits of red light emitting diode), current value range: 0-999999 |
Delay function | ond, oFFd, SHOT, and tOFF, delay range: 0 ~ 9999 milliseconds. |
Protection circuit | Short circuit, anti -polarity, overcurrent |
Ambient temperature range | 0 ℃ ~+50 ℃ (not condensation, not freezing) |
Ambient humidity range | 5%RH ~ 85%RH, when storing: 5%RH~95%RH |
Ambient illumination | Incandescent lamp: below 1000lx of light surface lighting |
withstand voltage | AC1000V 1 minute of all power connection terminals and short circuit protection between the shell |
Insulation resistance | 20MΩ以上 |
Vibration resistance | Frequency 10Hz ~ 55Hz dual amplitude 1.5mm xyz each direction for 2 hours |
Shock resistance | Acceleration 500m/s2 xyz 3 times in each direction |
Material | COVER: PBT |
Protection grade | IP65 |
Cable | Φ4*3 core PVC cable 2M |
Weight | Approx.80g |
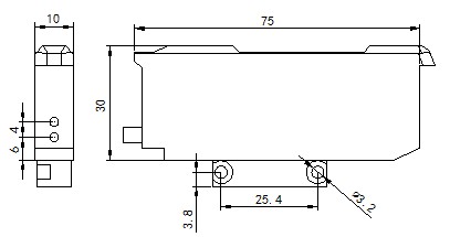
Dimensions |

|
Output circuit | 
|