Model | GF1-V11 | GF1-V11P |
Output | NPN | PNP |
Supply voltage | 12~24VDC±10% |
Consumption Current | 45mA以下 |
Output state | Light-ON+Dark-ON |
Reaction time | 50ms |
Indicator | Four red LED display |
Delay function | 40ms、10ms、OFF |
Protection circuit | Short circuit, anti -polarity, overcurrent |
Ambient temperature range | 0 ℃ ~+50 ℃ (not condensation, not freezing) |
Ambient humidity range | 5%RH ~ 85%RH, when storing: 5%RH~95%RH |
Ambient illumination | Incandescent lamp: below 1000lx of light surface lighting |
withstand voltage | AC1000V 1 minute of all power connection terminals and short circuit protection between the shell |
Insulation resistance | 20MΩ以上 |
Vibration resistance | Frequency 10Hz ~ 55Hz dual amplitude 1.5mm xyz each direction for 2 hours |
Shock resistance | Acceleration 500m/s2 xyz 3 times in each direction |
Material | COVER: PBT |
Protection grade | IP65 |
Cable | Φ4*3 core PVC cable 2M |
Weight | Approx.60g |
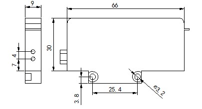
Dimensions | 
|
Output circuit | 
|