مستشعر القرب السعوي القياسي
مستشعر القرب السعوي القياسيCM12
Juncheng Intelligence هي شركة ذات تكنولوجيا عالية تركز على البحث والتطوير والإنتاج والمبيعات لأجهزة الاستشعار، وتقع في منتزه جولدمان ساكس للعلوم، مدينة دونغقوان، مقاطعة قوانغدونغ. بعد سنوات من التطوير والتراكم، أصبحنا مزودًا مؤثرًا لحلول أجهزة الاستشعار الذكية، مع أجهزة استشعار الألوان وأجهزة استشعار الليزر وأجهزة الاستشعار الكهروضوئية وأجهزة الاستشعار بالموجات فوق الصوتية وأجهزة استشعار الألياف البصرية وستائر الإضاءة الآمنة وأجهزة التشفير وغيرها من المنتجات كمنتجات رئيسية. تُستخدم المنتجات على نطاق واسع في تغليف المواد الغذائية والطباعة الورقية ومستحضرات التجميل وصناعة الأدوية وأشباه الموصلات الإلكترونية وآلات النجارة والتخزين والخدمات اللوجستية والسيارات والصلب وغيرها من الصناعات. منذ إنشائها، حافظت Juncheng Intelligence على تعاون استراتيجي طويل الأمد مع العديد من معاهد البحث العلمي وجمعت مجموعة من موظفي البحث والتطوير ذوي الخبرة لإنشاء حلول استشعار مختلفة للأتمتة الصناعية. من تطوير المنتجات إلى خدمة ما بعد البيع، التزمت Juncheng دائمًا باستخدام خبرة الصناعة الغنية والتكنولوجيا المهنية لإنشاء أفضل منتجات وحلول أجهزة الاستشعار.
اتصل بنا

المنتجات الرئيسية               


Model

Sensing range

Installation

Thread size

Output method

Output status

L

V

Connection

CM12-03P-BNO

1-3mm

flush

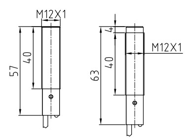
M12×1

NPN

NO

57

Φ4*3-core PVC cable 2m

CM12-03P-BNC

NC

CM12-03P-BPO

PNP

NO

CM12-03P-BPC

NC

CM12-04U-NNO

1-4mm

non-flush

NPN

NO

73

CM12-04U-NNC

NC

CM12-04U-NPO

PNP

NO

CM12-04U-NPC

NC

CM12-06U-NNO

1-6mm

NPN

NO

73

CM12-06U-NNC

NC

CM12-06U-NPO

PNP

NO

CM12-06U-NPC

NC

Dimensions

M12.png

 

Performance

Supply voltage

DC10-30V

Ripple

<10%

Max.Load Current

150mA

No Load Current

<10mA

Leakage Current

<0.01mA

Voltage Drop

<1.5V

Switching Frequency

50Hz

Response Time

1.5ms

Switching Hysteresis

<15%(Sr)

Repeat Accuracy

<5.0%(Sr)

Protection Category

IP67

Operating Temperature

-25°C- +70°C

Temperature Drift

<10%(Sr)

Housing Material

PBT

Material of sensing surface

PBT

رسالة عبر الإنترنت

يُقدِّم