مستشعر القرب السعوي القياسي
مستشعر القرب السعوي القياسي CQ17
Juncheng Intelligence هي شركة ذات تكنولوجيا عالية تركز على البحث والتطوير والإنتاج والمبيعات لأجهزة الاستشعار، وتقع في منتزه جولدمان ساكس للعلوم، مدينة دونغقوان، مقاطعة قوانغدونغ. بعد سنوات من التطوير والتراكم، أصبحنا مزودًا مؤثرًا لحلول أجهزة الاستشعار الذكية، مع أجهزة استشعار الألوان وأجهزة استشعار الليزر وأجهزة الاستشعار الكهروضوئية وأجهزة الاستشعار بالموجات فوق الصوتية وأجهزة استشعار الألياف البصرية وستائر الإضاءة الآمنة وأجهزة التشفير وغيرها من المنتجات كمنتجات رئيسية. تُستخدم المنتجات على نطاق واسع في تغليف المواد الغذائية والطباعة الورقية ومستحضرات التجميل وصناعة الأدوية وأشباه الموصلات الإلكترونية وآلات النجارة والتخزين والخدمات اللوجستية والسيارات والصلب وغيرها من الصناعات. منذ إنشائها، حافظت Juncheng Intelligence على تعاون استراتيجي طويل الأمد مع العديد من معاهد البحث العلمي وجمعت مجموعة من موظفي البحث والتطوير ذوي الخبرة لإنشاء حلول استشعار مختلفة للأتمتة الصناعية. من تطوير المنتجات إلى خدمة ما بعد البيع، التزمت Juncheng دائمًا باستخدام خبرة الصناعة الغنية والتكنولوجيا المهنية لإنشاء أفضل منتجات وحلول أجهزة الاستشعار.
اتصل بنا

المنتجات الرئيسية               

Model

Sensing range

Installation

Shell size

Output method

Output status

L

V

Connection

CQ5010-NNO

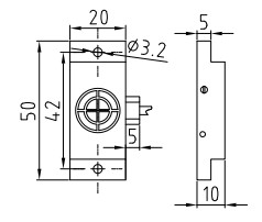
1-10mm


50×10×20

NPN

NO

-

Φ3*3-core PVC cable 2m

CQ5010-NNC

NC

CQ5010-NPO

PNP

NO

CQ5010-NPC

NC

Dimensions


Q20.png 

 

Performance

Supply voltage

DC10-30V

Ripple

<10%

Max.Load Current

150mA

No Load Current

<10mA

Leakage Current

<0.01mA

Voltage Drop

<1.5V

Switching Frequency

50Hz

Response Time

1.5ms

Switching Hysteresis

<15%(Sr)

Repeat Accuracy

<5.0%(Sr)

Protection Category

IP67

Operating Temperature

-25°C- +70°C

Temperature Drift

<10%(Sr)

Housing Material

PBT

Material of sensing surface

PBT


رسالة عبر الإنترنت

يُقدِّم