Sensor de etiqueta
Sensor de rótulo LU2
A Juncheng Intelligence é uma empresa de alta tecnologia com foco em pesquisa e desenvolvimento de sensores, produção e vendas, localizada no Goldman Sachs Science Park, Dongguan City, província de Guangdong. Após anos de desenvolvimento e acumulação, nos tornamos um fornecedor influente de soluções de sensores inteligentes, com sensores de cor, sensores a laser, sensores fotoelétricos, sensores ultrassônicos, sensores de fibra óptica, cortinas de luz de segurança, codificadores e outros produtos como os principais produtos. Os produtos são amplamente utilizados em embalagens de alimentos, impressão de papel, cosméticos, indústria farmacêutica, semicondutores eletrônicos, máquinas para marcenaria, armazenagem e logística, automóveis, aço e outras indústrias.
Desde sua fundação, a Juncheng Intelligence tem mantido cooperação estratégica de longo prazo com muitos institutos de pesquisa científica e acumulou um grupo de pessoal experiente em P&D para criar várias soluções de sensores para automação industrial. Do desenvolvimento de produtos ao serviço pós-venda, a Juncheng sempre se comprometeu a usar rica experiência na indústria e tecnologia profissional para criar os melhores produtos e soluções de sensores.
Contact Us

MAIN PRODUCTS               

Model

LU2-F2N

LU2-F2P

Detecting objects

Opaque object

Testing method

Shooting

Sensing Distance

2mm

Supply voltage

DC12-24V

Consumption Current

40mA

Output state

Light-ON/Dark-ON

Response frequency

30kHz

Control output

Black line output

light source

Infrared light diode

Ambient temperature range

Operating: −25 to +55°C, Storage: −30 to +80°C (with no icing or condensation)

Ambient humidity range

Operating: 5% to 85%, Storage: 5% to 95% (with no icing or condensation)

Ambient illumination

1,000 lx max. with fluorescent light on the surface of the receiver

withstand voltage

AC1000V 1 minute of all power connection terminals and short circuit protection between the shell

Insulation resistance

more than 20MΩ

Vibration resistance

Destruction: 10 to 55 Hz 1.5-mm double amplitude for 2 h (4-min periods) each in X, Y, and Z directions

Shock resistance

Destruction: 500 m/s2 for 3 times each in X, Y, and Z directions

Material

CoverNickel plated brassDisplay cover: PC

Degree of protection

IP65

cable

Φ4*3-core PVC cable 2m

Weight

Approx.40g

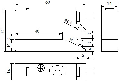
Dimensions


1.png

 

Output circuit


2.png

 


Mensagem on-line

enviar