Sensor de proximidade capacitivo padrão
CQ17 Proximidade capacitiva padrão
A Juncheng Intelligence é uma empresa de alta tecnologia com foco em pesquisa e desenvolvimento de sensores, produção e vendas, localizada no Goldman Sachs Science Park, Dongguan City, província de Guangdong. Após anos de desenvolvimento e acumulação, nos tornamos um fornecedor influente de soluções de sensores inteligentes, com sensores de cor, sensores a laser, sensores fotoelétricos, sensores ultrassônicos, sensores de fibra óptica, cortinas de luz de segurança, codificadores e outros produtos como os principais produtos. Os produtos são amplamente utilizados em embalagens de alimentos, impressão de papel, cosméticos, indústria farmacêutica, semicondutores eletrônicos, máquinas para marcenaria, armazenagem e logística, automóveis, aço e outras indústrias.
Desde sua fundação, a Juncheng Intelligence tem mantido cooperação estratégica de longo prazo com muitos institutos de pesquisa científica e acumulou um grupo de pessoal experiente em P&D para criar várias soluções de sensores para automação industrial. Do desenvolvimento de produtos ao serviço pós-venda, a Juncheng sempre se comprometeu a usar rica experiência na indústria e tecnologia profissional para criar os melhores produtos e soluções de sensores.
Contact Us

MAIN PRODUCTS               

Model

Sensing range

Installation

Shell size

Output method

Output status

L

V

Connection

CQ5010-NNO

1-10mm


50×10×20

NPN

NO

-

Φ3*3-core PVC cable 2m

CQ5010-NNC

NC

CQ5010-NPO

PNP

NO

CQ5010-NPC

NC

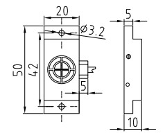
Dimensions


Q20.png 

 

Performance

Supply voltage

DC10-30V

Ripple

<10%

Max.Load Current

150mA

No Load Current

<10mA

Leakage Current

<0.01mA

Voltage Drop

<1.5V

Switching Frequency

50Hz

Response Time

1.5ms

Switching Hysteresis

<15%(Sr)

Repeat Accuracy

<5.0%(Sr)

Protection Category

IP67

Operating Temperature

-25°C- +70°C

Temperature Drift

<10%(Sr)

Housing Material

PBT

Material of sensing surface

PBT


Mensagem on-line

enviar