Color sensor
PM-C71 white light color sensor
Juncheng Intelligence is a high-tech enterprise focusing on sensor research and development, production and sales, located in Goldman Sachs Science Park, Dongguan City, Guangdong Province. After years of development and accumulation, we have become an influential intelligent sensor solution provider, with color sensors, laser sensors, photoelectric sensors, ultrasonic sensors, fiber optic sensors, safety light curtains, encoders and other products as the main products. The products are widely used in food packaging, paper printing, cosmetics, pharmaceutical industry, electronic semiconductors, woodworking machinery, warehousing and logistics, automobiles, steel and other industries.
Since its establishment, Juncheng Intelligence has maintained long-term strategic cooperation with many scientific research institutes and has accumulated a group of experienced R&D personnel to create various sensor solutions for industrial automation. From product development to after-sales service, Juncheng has always been committed to using rich industry experience and professional technology to create the best sensor products and solutions.
Contact Us

MAIN PRODUCTS               


Model

PM-A11

PM-A11P

Output

NPN

PNP

Supply voltage

12~24VDC±10%

light source

Three primary colors, 4-element light-emitting diode

Output state

Dark-ON+Light-ON

Reaction time

SHS50μs、HS250μs、Stnd1ms、GIGA16ms

Indicator

Threshold (4-digit green LED) and current value (4-digit red LED), current value range: 0-9999

Delay function

oFFd, ond, SHOT, and tOFF, delay range: 0 ~ 9999 milliseconds.

Protection circuit

Short circuit, anti -polarity, overcurrent

Ambient temperature range

Operating: −25 to +55°C, Storage: −30 to +80°C (with no icing or condensation)

Ambient humidity range

Operating: 5% to 85%, Storage: 5% to 95% (with no icing or condensation)

Ambient illumination

1,000 lx max. with fluorescent light on the surface of the receiver

withstand voltage

AC1000V 1 minute of all power connection terminals and short circuit protection between the shell

Insulation resistance

more than 20MΩ

Vibration resistance

Destruction: 10 to 55 Hz 1.5-mm double amplitude for 2 h (4-min periods) each in X, Y, and Z directions

Shock resistance

Destruction: 500 m/s2 for 3 times each in X, Y, and Z directions

Material

COVER:PBT

Degree of protection

IP65

cable

Φ4*3-core PVC cable 2m

Weight

Approx.80g

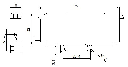
Dimensions


 

图片1.png


Output circuit



1111.png

Online Message

submit