Standard capacitive proximity sensor
CQ17 Standard capacitive proximity
Juncheng Intelligence is a high-tech enterprise focusing on sensor research and development, production and sales, located in Goldman Sachs Science Park, Dongguan City, Guangdong Province. After years of development and accumulation, we have become an influential intelligent sensor solution provider, with color sensors, laser sensors, photoelectric sensors, ultrasonic sensors, fiber optic sensors, safety light curtains, encoders and other products as the main products. The products are widely used in food packaging, paper printing, cosmetics, pharmaceutical industry, electronic semiconductors, woodworking machinery, warehousing and logistics, automobiles, steel and other industries.
Since its establishment, Juncheng Intelligence has maintained long-term strategic cooperation with many scientific research institutes and has accumulated a group of experienced R&D personnel to create various sensor solutions for industrial automation. From product development to after-sales service, Juncheng has always been committed to using rich industry experience and professional technology to create the best sensor products and solutions.
Contact Us

MAIN PRODUCTS               

Model

Sensing range

Installation

Shell size

Output method

Output status

L

V

Connection

CQ5010-NNO

1-10mm


50×10×20

NPN

NO

-

Φ3*3-core PVC cable 2m

CQ5010-NNC

NC

CQ5010-NPO

PNP

NO

CQ5010-NPC

NC

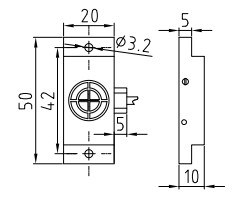
Dimensions


Q20.png 

 

Performance

Supply voltage

DC10-30V

Ripple

<10%

Max.Load Current

150mA

No Load Current

<10mA

Leakage Current

<0.01mA

Voltage Drop

<1.5V

Switching Frequency

50Hz

Response Time

1.5ms

Switching Hysteresis

<15%(Sr)

Repeat Accuracy

<5.0%(Sr)

Protection Category

IP67

Operating Temperature

-25°C- +70°C

Temperature Drift

<10%(Sr)

Housing Material

PBT

Material of sensing surface

PBT


Online Message

submit