Amplificateur à fibre optique
Amplificateur à fibre optique GF1-N18
Juncheng Intelligence est une entreprise de haute technologie axée sur la recherche et le développement, la production et la vente de capteurs, située dans le parc scientifique Goldman Sachs, ville de Dongguan, province du Guangdong. Après des années de développement et d'accumulation, nous sommes devenus un fournisseur influent de solutions de capteurs intelligents, avec des capteurs de couleur, des capteurs laser, des capteurs photoélectriques, des capteurs à ultrasons, des capteurs à fibre optique, des rideaux lumineux de sécurité, des encodeurs et d'autres produits comme principaux produits. Les produits sont largement utilisés dans l'emballage alimentaire, l'impression papier, les cosmétiques, l'industrie pharmaceutique, les semi-conducteurs électroniques, les machines à bois, l'entreposage et la logistique, l'automobile, l'acier et d'autres industries.Depuis sa création, Juncheng Intelligence a maintenu une coopération stratégique à long terme avec de nombreux instituts de recherche scientifique et a accumulé un groupe de personnel de R&D expérimenté pour créer diverses solutions de capteurs pour l'automatisation industrielle. Du développement de produits au service après-vente, Juncheng s'est toujours engagé à utiliser une riche expérience industrielle et une technologie professionnelle pour créer les meilleurs produits et solutions de capteurs.
Contact Us

MAIN PRODUCTS               


Model

GF1-N18

GF1-N18P

Output

NPN

PNP

Supply  voltage

12~24VDC±10%

Consumption Current

100mA以下

Output state

Light-ON+Dark-ON

Reaction time

50µs(HSP)/250µs(FINE)/500µs(TURBO)/1ms(SUPER)/4ms(ULTRA)/16ms(MEGA)

Indicator

Daltic values (4 digits green light emitting diodes) and current values (4 digits of red light emitting diode), current value range: 0-999999

Delay function

ond, oFFd, SHOT, and tOFF, delay range: 0 ~ 9999 milliseconds.

Protection circuit

Short circuit, anti -polarity, overcurrent

Ambient temperature range

0 ℃ ~+50 ℃ (not condensation, not freezing)

Ambient humidity range

5%RH ~ 85%RH, when storing: 5%RH~95%RH

Ambient illumination

Incandescent lamp: below 1000lx of light surface lighting

withstand voltage

AC1000V 1 minute of all power connection terminals and short circuit protection between the shell

Insulation resistance

20MΩ以上

Vibration resistance

Frequency 10Hz ~ 55Hz dual amplitude 1.5mm xyz each direction for 2 hours

Shock resistance

Acceleration 500m/s2 xyz 3 times in each direction

Material

COVER: PBT

Protection grade

IP65

Cable

Φ4*3 core PVC cable 2M

Weight

Approx.80g

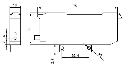
Dimensions

1.png 

Output circuit

2.png

Online Message

submit