Capteur de proximité capacitif standard
CQ17 Détecteur de proximité capacitif standard
Juncheng Intelligence est une entreprise de haute technologie axée sur la recherche et le développement, la production et la vente de capteurs, située dans le parc scientifique Goldman Sachs, ville de Dongguan, province du Guangdong. Après des années de développement et d'accumulation, nous sommes devenus un fournisseur influent de solutions de capteurs intelligents, avec des capteurs de couleur, des capteurs laser, des capteurs photoélectriques, des capteurs à ultrasons, des capteurs à fibre optique, des rideaux lumineux de sécurité, des encodeurs et d'autres produits comme principaux produits. Les produits sont largement utilisés dans l'emballage alimentaire, l'impression papier, les cosmétiques, l'industrie pharmaceutique, les semi-conducteurs électroniques, les machines à bois, l'entreposage et la logistique, l'automobile, l'acier et d'autres industries.Depuis sa création, Juncheng Intelligence a maintenu une coopération stratégique à long terme avec de nombreux instituts de recherche scientifique et a accumulé un groupe de personnel de R&D expérimenté pour créer diverses solutions de capteurs pour l'automatisation industrielle. Du développement de produits au service après-vente, Juncheng s'est toujours engagé à utiliser une riche expérience industrielle et une technologie professionnelle pour créer les meilleurs produits et solutions de capteurs.
Contact Us

MAIN PRODUCTS               

Model

Sensing range

Installation

Shell size

Output method

Output status

L

V

Connection

CQ5010-NNO

1-10mm


50×10×20

NPN

NO

-

Φ3*3-core PVC cable 2m

CQ5010-NNC

NC

CQ5010-NPO

PNP

NO

CQ5010-NPC

NC

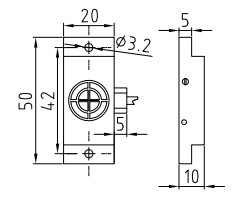
Dimensions


Q20.png 

 

Performance

Supply voltage

DC10-30V

Ripple

<10%

Max.Load Current

150mA

No Load Current

<10mA

Leakage Current

<0.01mA

Voltage Drop

<1.5V

Switching Frequency

50Hz

Response Time

1.5ms

Switching Hysteresis

<15%(Sr)

Repeat Accuracy

<5.0%(Sr)

Protection Category

IP67

Operating Temperature

-25°C- +70°C

Temperature Drift

<10%(Sr)

Housing Material

PBT

Material of sensing surface

PBT


Online Message

submit