Standard capacitive proximity sensor
CQ17 Proximidad capacitiva estándar
Juncheng Intelligence es una empresa de alta tecnología que se centra en la investigación y el desarrollo, la producción y las ventas de sensores, ubicada en Goldman Sachs Science Park, ciudad de Dongguan, provincia de Guangdong. Después de años de desarrollo y acumulación, nos hemos convertido en un influyente proveedor de soluciones de sensores inteligentes, con sensores de color, sensores láser, sensores fotoeléctricos, sensores ultrasónicos, sensores de fibra óptica, cortinas de luz de seguridad, codificadores y otros productos como productos principales. Los productos se utilizan ampliamente en el envasado de alimentos, la impresión de papel, los cosméticos, la industria farmacéutica, los semiconductores electrónicos, la maquinaria para trabajar la madera, el almacenamiento y la logística, los automóviles, el acero y otras industrias. Desde su creación, Juncheng Intelligence ha mantenido una cooperación estratégica a largo plazo con muchos institutos de investigación científica y ha acumulado un grupo de personal experimentado en I+D para crear varias soluciones de sensores para la automatización industrial. Desde el desarrollo de productos hasta el servicio posventa, Juncheng siempre se ha comprometido a utilizar una rica experiencia en la industria y una tecnología profesional para crear los mejores productos y soluciones de sensores.
Contacta con nosotros

MAIN PRODUCTS               

Model

Sensing range

Installation

Shell size

Output method

Output status

L

V

Connection

CQ5010-NNO

1-10mm


50×10×20

NPN

NO

-

Φ3*3-core PVC cable 2m

CQ5010-NNC

NC

CQ5010-NPO

PNP

NO

CQ5010-NPC

NC

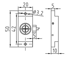
Dimensions


Q20.png 

 

Performance

Supply voltage

DC10-30V

Ripple

<10%

Max.Load Current

150mA

No Load Current

<10mA

Leakage Current

<0.01mA

Voltage Drop

<1.5V

Switching Frequency

50Hz

Response Time

1.5ms

Switching Hysteresis

<15%(Sr)

Repeat Accuracy

<5.0%(Sr)

Protection Category

IP67

Operating Temperature

-25°C- +70°C

Temperature Drift

<10%(Sr)

Housing Material

PBT

Material of sensing surface

PBT


Mensaje en línea

submit