Model | LU2-F2N | LU2-F2P |
Detecting objects | Opaque object |
Testing method | Shooting |
Sensing Distance | 2mm |
Supply voltage | DC12-24V |
Consumption Current | 40mA |
Output state | Light-ON/Dark-ON |
Response frequency | 30kHz |
Control output | Black line output |
light source | Infrared light diode |
Ambient temperature range | Operating: −25 to +55°C, Storage: −30 to +80°C (with no icing or condensation) |
Ambient humidity range | Operating: 5% to 85%, Storage: 5% to 95% (with no icing or condensation) |
Ambient illumination | 1,000 lx max. with fluorescent light on the surface of the receiver |
withstand voltage | AC1000V 1 minute of all power connection terminals and short circuit protection between the shell |
Insulation resistance | more than 20MΩ |
Vibration resistance | Destruction: 10 to 55 Hz 1.5-mm double amplitude for 2 h (4-min periods) each in X, Y, and Z directions |
Shock resistance | Destruction: 500 m/s2 for 3 times each in X, Y, and Z directions |
Material | Cover:Nickel plated brass、Display cover: PC |
Degree of protection | IP65 |
cable | Φ4*3-core PVC cable 2m |
Weight | Approx.40g |
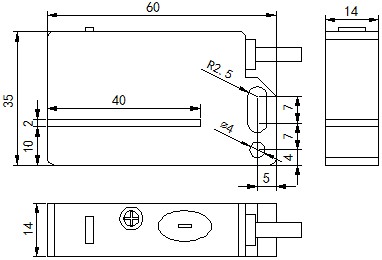
Dimensions |

|
Output circuit |

|